Product
Product

Size Range: DN150 - 3200
Pressure Ratings: PN10 & PN16 & PN25
Application: Isolate the flow with infrequent & frequent operation
Types: Long (S14) or short (S13) body,
Options:Locking device, extension spindle,
different gearbox installation direction, different material/flange drillings
Operation: Manual gearbox with stem cap or handwheel, ISO gearbox with electric actuator
Wesdom large double eccentric butterfly valves are designed with tilted disc for easy operation.
Double eccentric butterfly valve’s disc seal is made of drinking water approved EPDM rubber featuring an excellent compression set and thus ability to regain its original shape.
The high quality DVGW/WRAS approved epoxy coating and fully encapsulated shaft/disc connection ensure high durability.
This company produces the double eccentric softhearted sealing butterfly valve has simple structure, small flow resistance coefficient, difficult to stranded sundry drive torque is small, the advantages of simple operation,rapid, and it also has good flow regulating function and sealing performance at the same time, can achieve completely sealed, zero leakage gas test.
The different materials are used to make the sealing ring of different materials, which can be adapted to different media, working conditions, and make the cost and performance to the best effect It can be driven by worm wheel and electric power.it is mainly used for food, water, beverage, chemical, medicine, etc.
Features:
1.The tilted disc releases the compression of the disc sealing after a few degrees of opening resulting in low operating torque
2.The disc seal profile and rubber quality ensure low closing torques
3.All rubber parts are multi approved
4.Seal retainer ring of stainless steel
5.The threaded bolt holes in the disc are corrosion protected with O-rings
6.Machined and epoxy coated ductile iron seat integrated in the body
7.Shaft of stainless steel with self-lubricating bearings
8.The shaft ends are fully encapsulated in the disc and are fixed with dowels corrosion protected with O-rings and a stainless steel security plate. Key and keyway as backup
9.Replaceable shaft sealing with two EPDM O-rings on each side of a bronze bushing, and a flat NBR gasket
10.Optional locking device
11.DN 700-1600, body and disc coated with fusion bonded epoxy coating in compliance with DIN 3476 part 1 and EN 14901, GSK approved, blue RAL 5017, according to WRAS-DVGW/W270/UBA,DN ≥ 1800, body and disc coated with 2-pack epoxy, blue RAL 5017 externally, ribbon blue or cream white internally, according to WRAS
12.Bi-directional operation up to DN2400 and uni-directional from DN2600
| Part name | Material |
| Body, Butterfly plate | Grey cast iron, ductile iron, cast steel,stainless steel |
| Stem | Medium carbon steel, stainless steel(2Cr13),1Cr18Ni9Ti |
| Sealing ring | Butyronitrile rubber,ethylene propylene rubber,polytetrafluoroethylene |
| Packing | Graphite asbestos, flexible graphite |
Standard:
Design criteria : GB/T12238-1989
Flange connection size : GB/T9113.1-2000 ; GB/T9115.1-2000 ; JB78
Length structure : GB/T12221-1989
Pressure test : GB/T13927-1992 ;JB/T9092-1999
Test/Approvals:
①Hydraulic test according to EN 1074-1 and 2 / EN 12266
②Approved for drinking water
③Approved according to WRAS Certificate No. 1702367
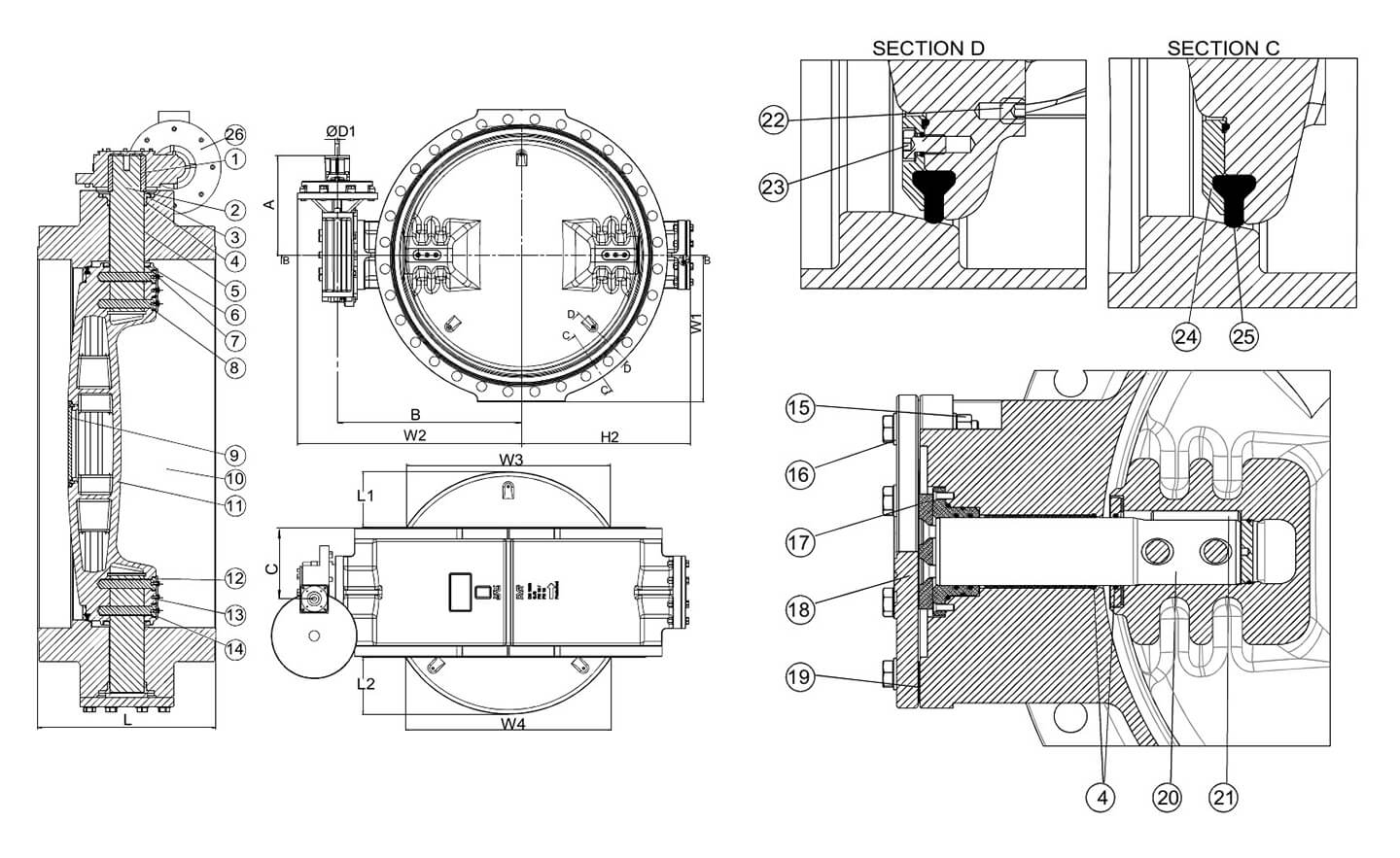
| 1 | 2 | 3 | 4 | 5 | 6 | 7 | 8 | 9 |
| Key | Valve shaft | Seal housing | O-ring | Self-lubricating bearing | Disc cover | Disc cover gasket | Dowel | Blanking flange(DN=1400) |
| Stainless steel
A2 |
Stainless steel 431 | Bronze | EPDM rubber | Steel,PTFE coated | Stainless steel | EPDM rubber | Stainless steel A2 | Ductile iron
GJS-500-7(GGG-50) |
| 10 | 11 | 12 | 13 | 14 | 15 | 16 | 17 | 18 |
| Body | Disc | Security plate | Spring washer | Washer | Nut | Washer | Thrust bearing | End plate |
| Ductile iron
GJS-500-7(GGG-50) |
Ductile iron
GJS-500-7(GGG-50) |
Stainless steel | Stainless steel A2 | Zinc | Stainless steel A2 | Stainless steel A2 | Bronze | Ductile iron
GJS-500-7 (GGG-50) |
| 19 | 20 | 21 | 22 | 23 | 24 | 25 | 26 | |
| Gasket | Stub shaft | Safety key | Screw | Seal retainer ring | Disc seal | 26.Gearbox | ||
| EPDM rubber | Stainless steel 431 | Stainless steel A2 | Stainless steel A2 | Stainless steel
A2 |
Stainless steel | EPDM rubber | Cast iron |
Tanzania Water Project
Main products:
Gate Valves, Butterfly Valves, Check Valves, Pipe Fittings, etc.
Client feedback:
The customer sent us the installation pictures of the WESDOM product in the working condition project, and the feedback quality is very good, and will maintain a long-term cooperative relationship with WESDOM;
Project pictures:
In industrial automation systems, pneumatic valves have become one of…
Application
①Potable water supply pipelines and treatment plants.
②Transportation of filtered and recycled water.
③Irrigation distribution networks.
④Water-pumping stations and hydroelectric plants.
⑤Nuclear industry, fire safety and storage facilities.